Systeem Carat S4 – Gepatenteerde bescherming tot 2036
Het Wilka Carat S4 sluitsysteem biedt de ideale oplossing voor gelijksluitende sluitingen en kleine sluitinstallaties in particuliere eengezins- of meergezinswoningen. Line pro valt op door het unieke golfprofiel dat de sleutel een bijzonder ontwerp geeft. De massief gebouwde nieuwzilveren sleutel met afgeronde contouren biedt maximaal sluitcomfort.
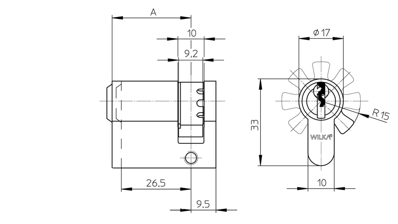
Productbeschrijving:
- WILKA Carat S4 – Halve cilinder
- Inclusief 3 sleutels
- Octrooi bescherming tot 2036
- Geregistreerde enkelvoudige sluiting met beveiligingskaart (combineerbaar als gelijksluitend)
- Comfortabele sleutelgeleiding
- Speciale spoelstiften als bescherming tegen lockpicking
- 1 behuizingspen van gehard staal als boorbeveiliging
- Paracentrisch sleutelprofiel ter voorkoming van onbevoegd openen met gereedschap
- Tot 8 extra profielcontrolekogels

Technische gegevens:
- Cilinder volgens DIN 18 252 / DIN EN 1303
- 6 stiftvergrendelingen (vanaf 30 mm)
- 5 stiftvergrendelingen bij korte of asymmetrische cilinders (26,5 mm)
- Mat vernikkeld messing
- Cilinderbevestigingsschroef M5
Al onze cilinders worden geleverd met een beveiligingskaart. Deze kaart geeft u het recht om extra sleutels te laten maken. U kunt extra sleutels bij ons of bij een erkende vakhandel laten maken. Houd er rekening mee dat extra sleutels – afhankelijk van de fabrikant – aanzienlijk duurder kunnen zijn dan de originele bestelling.
Let op dat de cilinders tot een millimeter langer kunnen zijn. Dit is vooral belangrijk bij deuren zonder beslag (deuren die aan de buitenkant vlak zijn) of bij deurbeslagen met een vaste boorbeveiliging. In deze gevallen worden cilinders met een lengte van 27 of 28 millimeter aan de buitenzijde aanbevolen.
Onze cilinders zijn uitsluitend nieuwe producten die in elke gewenste hoeveelheid kunnen worden besteld. U kunt ook later extra cilinders bestellen die bij uw oorspronkelijke bestelling passen. Zo kunt u bijvoorbeeld een enkelwerkende cilinder bestellen en deze later combineren met een andere cilinder uit dezelfde serie, zodat u beide met slechts één sleutelset kunt bedienen (gelijksluitend). U kunt dit systeem uitbreiden met dubbele cilinders, halve cilinders of knopcilinders uit dezelfde serie. Let er daarom bij uw bestelling op dat het niet om restpartijen of faillissementsgoederen gaat.
U kunt de bij ons bestelde cilinders ook op een later tijdstip nabestellen.
Uw profiel-cilinder-team
Productveiligheidsinformatie – Klik hier voor meer info
WILKA Schliesstechnik GmbH · Mettmanner Str. 58 – 64 · 42549 Velbert · Duitsland · info@wilka.de
Dit artikel hebben wij op 20.05.2025 in onze catalogus opgenomen.